| SOP package is a rectangular surface mount integrated circuit with eight or more gull wings leads. The leads are on two length sides of the package. SOIC package are JEDEC compliant. Popular sizes are the SO8, SO14, SO16, SO20, SO24 and SO28. |
| REGISTER-LOGIN | PRODUCTS | CROSS REFERENCE | INVENTORY | REQUEST QUOTE | ORDER ONLINE | SITE MAP |
|
SMALL OUTLINE PACKAGE WIDE BODY (300mils) |
|
| SOIC WIDE 20 |
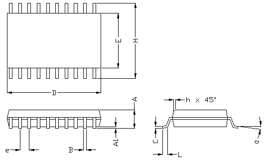
| PACKAGE OUTLINE |
|
| SHORT PACKAGE DESCRIPTION |
| SOIC SMALL OUTLINE INTEGRATED CIRCUIT - SOIC-W package is a rectangular surface mount integrated circuit with eight or more gull wings leads. The leads are on two length sides of the package. SOIC packages are JEDEC compliant. Popular sizes for 300 mils body (wide) are the SO20. |
| SOIC WIDE 300 MIL - SMALL OUTLINE INTEGRATED CIRCUIT 20 PIN | ||||
| Dimension | Min (inches, [mm]) | Max (inches, [mm]) | ||
| [inches] | [mm] | [inches] | [mm] | |
| A | 0.096 | 2.438 | 0.104 | 2.641 |
| A1 | 0.005 | 0.127 | 0.011 | 0.279 |
| B | 0.014 | 0.356 | 0.019 | 0.483 |
| C | 0.009 | 0.229 | 0.012 | 0.305 |
| D | 0.500 | 12.700 | 0.510 | 12.954 |
| E | 0.292 | 7.417 | 0.299 | 7.595 |
| e | 0.050 BSC | 1.27 | 0.050 BSC | 1.27 |
| H | 0.396 | 10.058 | 0.416 | 10.566 |
| L | 0.020 | 0.508 | 0.040 | 1.016 |
| a | 0° | 8° | ||
| Delivery for packaged standard products is 4-6 weeks ARO. Certain items may be available from stock. For standard products available from stock, there is a minimum line item order of $250.0. Inventory is periodically updated. For 2500pc or larger orders, all surface mount packaged devices are shipped in tape on reel (T/R). For smaller quantities, it may vary. Samples are available only for customers that have issued firm orders pending qualification of product in a particular application. On line Orders have to be verified, accepted and acknowledged by Semiconwell sales department in writing before, becoming non cancelable binding contracts. |
| Semiconix guarantees continuous supply and availability of any of it's standard products provided minimum order quantities are met. |
| SEMICONIX has made every effort to have this information as accurate as possible. However, no responsibility is assumed by SEMICONIX for its use, nor for any infringements of rights of third parties which may result from its use. SEMICONIX reserves the right to revise the content or modify its product line without prior notice. SEMICONIX products are not authorized for and should not be used within support systems which are intended for surgical implants into the body, to support or sustain life, in aircraft, space equipment, submarine, or nuclear facility applications without the specific written consent. |
| HOME | PRODUCTS | CONTACTS | INVENTORY | PACKAGES | PDF VERSION | SEARCH |
| SEMICONIX SEMICONDUCTOR | www.semiconix-semiconductor.com Tel:(408)758-8694 Fax:(408)986-8027 |
SEMICONIX SEMICONDUCTOR |
| Last updated:July 03, 2009 | Display settings for best viewing: | Current display settings: |
| Page hits: 1 | Screen resolution: 1124x864 | Screen resolution: |
| Total site visits: | Color quality: 16 bit | Color quality: bit |
| © 1990-2026 SEMICONIX SEMICONDUCTOR All rights reserved. No material from this site may be used or reproduced without permission. | ||